Характеристики
Защитное отключение
—
Нет
13 139 руб./шт
Достаточно
Нашли дешевле?
В корзину
Купить в 1 клик
Самовывоз сегодня - бесплатно
Условия доставки
Условия доставки
Производитель имеет право без предварительного уведомления вносить изменения в изделие, которые не ухудшают его технические характеристики, а являются результатом работ по усовершенствованию его конструкции или технологии производства.
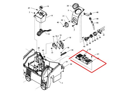
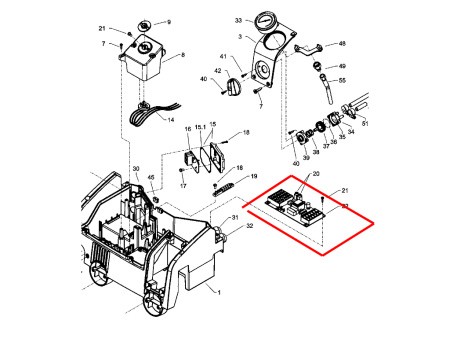
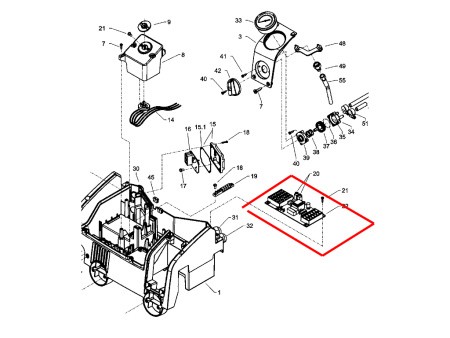
Плата управления для аппаратов THERM C
